МЗ Урал

Завод металлоформ
№ 1 в России

Адрес в Первоуральске:
Комсомольская ул., 14

8 (800) 333-07-15
Оставить заявку

Оставьте заявку

Специально для Вас мы подготовим выгодные цены, условия и сроки поставки

Меню
МЗ Урал
  • О заводе
  • Продукция
    • Металлоформы для производства ЖБИ
    • Оборудование для производства ЖБИ
    • Технологические линии для производства ЖБИ
    • Бетонные заводы
    • Оборудование для производства пенобетона
    • Оборудование для производства полистиролбетона
    • Оборудование для производства сухих смесей
  • Услуги
  • Цены
  • Лизинг
  • Новости
  • Статьи
  • Контакты
12ДД-400-0,93(0,81)-0,61БП
ЛСу-10
12ДД-400-0,85(0,81)-0,61БПк
ЛС17м
3ПБ13
2УТК-1020-1-2
Металлоформа КС 15.9
Металлоформа МПЛ-1.5
ГлавнаяОборудование для производства ЖБИПуансонная машина Пуансонная машина ПК

Пуансонная машина ПК

Пуансонная машина ПК
Пуансонная машина ПК
Пуансонная машина ПК
Пуансонная машина ПК
Пуансонная машина ПК
Увеличить
Серии, ГОСТы, ТУ для ЖБИ
Серии, ГОСТы, ТУ для ЖБИ
Выгодный лизинг от 6,9%
Выгодный лизинг
Доставка по РФ и СНГ
Доставка по РФ и СНГ
Гарантия 1 год
Гарантия 1 год
Стоимость:
по запросу

Оставьте заявку

Специально для Вас мы подготовим выгодные цены, условия и сроки поставки

  • Базовая комплектация
  • Описание и особенности
  • Схема и характеристики
  • Оборудование для производства бетона
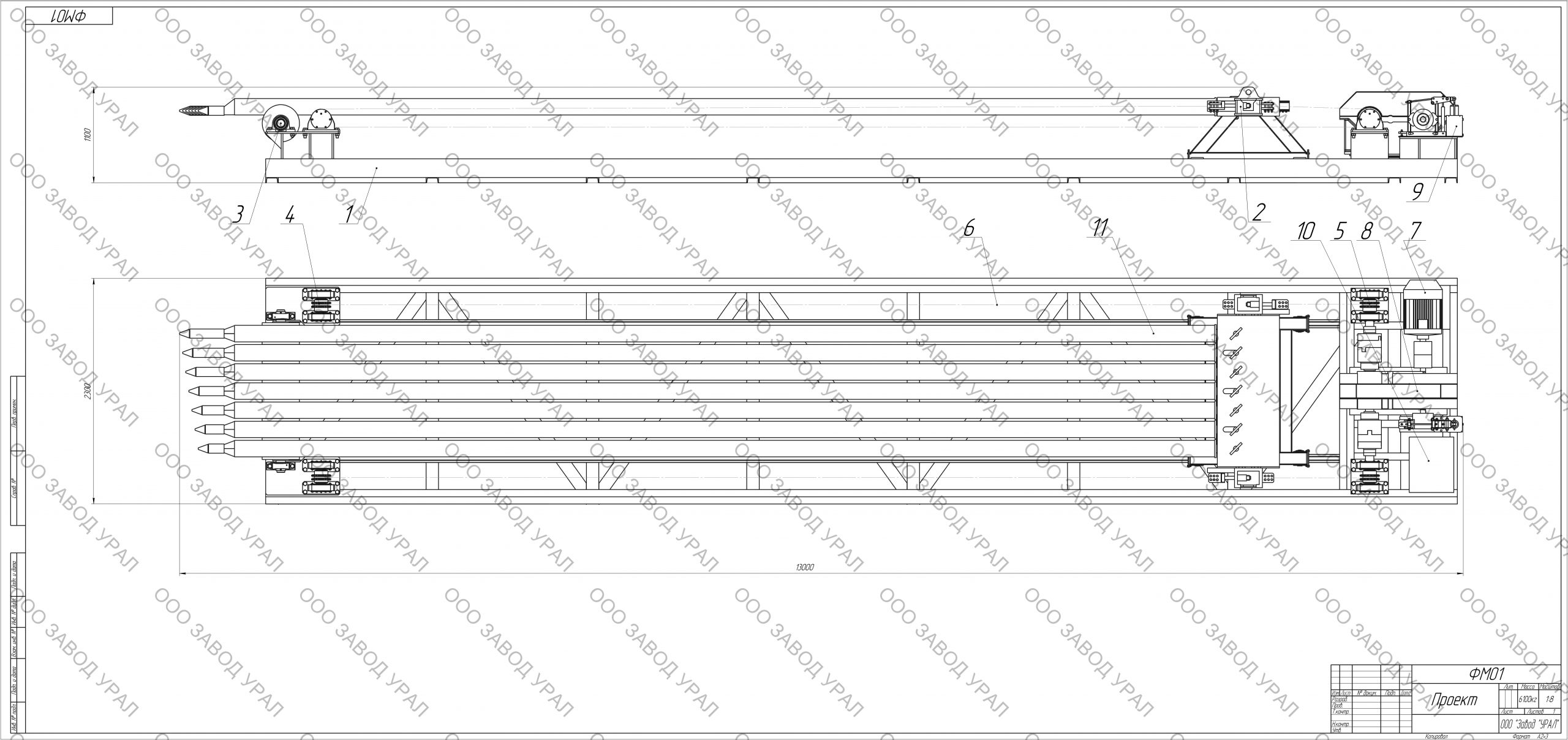
Базовая комплектация

Длинна – 13000мм
Ширина – 2300мм
Высота – 1100мм

Рама – швеллер 18

Диаметр рабочей поверхности вкладыша – 159мм

Максимальное количество вкладышей – 7шт

Масса – 6100кг

Двигатель – 18.5 кВт
Напряжение рабочей сети – 380В

Описание и особенности

Машина формовочная

Машина предназначена для образования пустот круглого сечения в бетонных изделиях.

Данная установка состоит из рамы, приводного механизма с редуктором, двигателем и силовыми звездочками, которые передают в движение на каретку через цепи. Каретка передвигается по рельсам, на которой зафиксированы пуансоны, через быстросъемные шкворня. Принцип работы машины формовочной  заключается в следующем:

Машина устанавливается на ровную плоскость по уровню, и требует анкерование или заливкой бетоном.  Перед запуском машины производиться первоначальный пуск в холостую без формы.

В комплекте с машиной идет пульт управления, с которого происходит запуск машины. Перемещение кессонов происходит вперед

назад, через автореверс. Машина универсальная позволяет работать с металлоформами под разные размеры готового изделия.

Завод Урал также изготавливает ЖБИ формы по индивидуальным параметрам заказчика. Стандартное оборудование не всегда подходит для поставленных целей. Наши профессионалы помогут составить чертежи под конкретные задачи и изготовят оборудование в короткие сроки.

Высокое качество, проверенное временем, вот что предлагает завод Урал. А положительные отзывы партнеров подтверждают его из года в год.

Схема и характеристики

Длинна - 13000мм
Ширина - 2300мм
Высота - 1100мм

Рама - швеллер 18

Диаметр рабочей поверхности вкладыша - 159мм

Максимальное количество вкладышей - 7шт

Масса - 6100кг

Двигатель - 18.5 кВт
Напряжение рабочей сети - 380В

МФ-01

Оборудование для производства бетона
Урал-Компакт 45

Бетонные заводы УРАЛ КОМПАКТ

Урал Лента 54

Бетонные заводы УРАЛ ЛЕНТА

Урал Скип 60

Бетонные заводы УРАЛ СКИП

Завод Урал
Завод металлоформ № 1 в России
Создание и продвижение сайта - Студия Бобрик
Наша продукция
  • Металлоформы для производства ЖБИ
  • Технологические линии для производства ЖБИ
  • Оборудование для производства ЖБИ
  • Бетонные заводы
  • Оборудование для производства пенобетона
  • Оборудование для производства полистиролбетона
  • Оборудование для производства сухих смесей
Информация
  • О заводе
  • Продукция
  • Цены
  • Лизинг
  • Новости
  • Контакты
8 (800) 333-07-15
+7 922 301-86-81

Первоуральск, Комсомольская ул., 14

пн-пт: 9:00 - 18:00 | сб-вс: вых.

Оставить заявку
kz-zavod-info

Купить металлоформы Завода Урал в Республике Казахстан

2010 - 2025 ООО «Завод УРАЛ», г. Первоуральск
Политика конфиденциальности
закрыть
Начните вводить название продукции, которую хотите найти.
  • Меню
  • Категории
  • Металлоформы для производства ЖБИ
    • Гражданское строительство
      • ЛС
      • ЛМ
      • ЛМП
      • ЛП
      • Перемычки ПБ
      • Сваи “С”
      • ФБС
      • ФБС Универсальная
      • Форма Карнизов
      • Форма плит перекрытия ПК
      • Форма Фундамент ленточный “ФЛ”
    • Дорожное строительство
      • Дорожные плиты ПАГ, ПДН
        • Дорожные плиты “П” (ГОСТ 21924.2-84, ГОСТ 21924.1-84)
        • Дорожные плиты “ПД” (Серия 3.503-17; Серия 3.503.1-93)
        • Металлоформа ПАГ
        • Металлоформа ПДН
      • Форма Бордюров БР
      • Формы Нью Джерси
    • Инженерные коммуникации
      • ККС
      • Кольца колодцев
      • Лоток Б “Серия 3.503.1-60”
      • Лоток Л
      • Лоток ЛК
      • МПЛ
      • МШЛ
      • Форма БЛ
      • Форма ГБ
      • Тетраподы
      • Форма ЗКП
      • Форма Стойка бетонная Серия 3.501.1-159
      • Формы ЗК
      • Фундаментный стакан
      • Ригель Серия 3.407-115
    • Промышленное строительство
      • Плиты покрытия ребристые (ГОСТ 27215-87)
      • Утяжелители бетонные
      • Формы ПРГ
      • Ригели опирания
    • Электросетевое строительство
      • Форма СВ (опоры освещения)
      • Форма приставка “ПТ”
      • Унифицированная стойка УСО
      • Плита навесная
      • Фундаменты опор ЛЭП серии Ф (СЕРИЯ 3.407-115)
  • Оборудование для производства ЖБИ
    • Бадьи для бетона
    • Бетоноукладчик
    • Виброрама
    • Кантователь
    • Пригрузочная плита
    • Пуансонная машина
    • Вибротумбы
    • Передаточная тележка
  • Технологические линии для производства ЖБИ
  • Бетонные заводы
  • Оборудование для производства пенобетона
  • Оборудование для производства полистиролбетона
  • Оборудование для производства сухих смесей
  • О заводе
  • Продукция
    • Металлоформы для производства ЖБИ
    • Оборудование для производства ЖБИ
    • Технологические линии для производства ЖБИ
    • Бетонные заводы
    • Оборудование для производства пенобетона
    • Оборудование для производства полистиролбетона
    • Оборудование для производства сухих смесей
  • Услуги
  • Цены
  • Лизинг
  • Новости
  • Статьи
  • Контакты
Scroll To Top